Dual FINCH II Installation
This article provides details for modifying an installation for a single tank truck or trailer with 2 FINCH II displays. It is a matter of eliminating the J560 sockets and cable for straight-through wiring.
There may come a time when multiple FINCH II displays are needed for a specific application.
Details in the application note TPM 035, Finch II Dual Compartment Lead Trailer and Single Compartment Pup with High-Level Shutdown describe installation across multiple units.
See Figures 1, 2, 3, 4 and 5 below.
Figure 1 shows the B – DIP switch position.
Figures 4 and 5 show the wiring modification for a single tank truck or trailer.
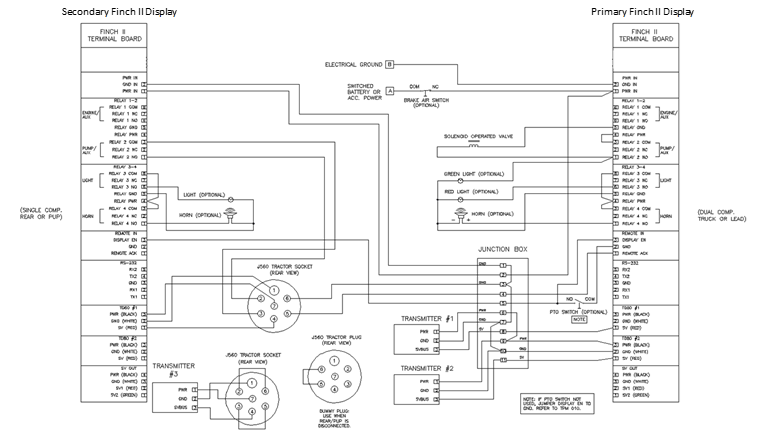
Wiring Modifications for Single Unit Installation
NOTE: The steps below work for either a TD80 or TD100 Transmitter.
1. The J560 sockets and cable are not required. The TD transmitters #3 and optionally #4 are connected directly to the Secondary FINCH II Display’s TD Transmitter #1 and #2 terminals.
2. Wiring from the Secondary FINCH II Display Pump Relay 2 COM and NO terminals to the original J560 socket pins 2 and 3 continue straight through to the junction box terminals.
Inside the Primary FINCH II Display, B – DIP Switch 2 must be switched to the ON position.

Figure 1: B – DIP Switch 2 Position
Tank truck to trailer or B-Train Installation
The two diagrams below show tank truck to trailer or B-Train installations along with the modifications required for a single unit. We have broke this out based on wiring diagrams and cable diagrams.
Wiring Diagram Comparisons
The two wiring diagrams below show the modifications required to go from a dual tank truck/trailer to a single unit. The red outlines on the right image show the modifications required for a single unit.
*Click on the image to expand.
Cable Diagram Comparisons
The two cable diagrams below show the modifications required to go from a dual tank truck/trailer to a single unit. The red outlines on the right image show the modifications required for a single unit.
*Click on the image to expand.
Need more help?
Contact one of our Titan Logix's Service Team members for more technical assistance.
Phone: 1-877-462-4085 (ext. 2)
Email: service@titanlogix.com
Request Training: Click Here



